在测“3.8V”小灯泡电功率实验中:
(1)请你用笔画线代替导线,将甲图实物连接完整。
(2)电路正确连接后,闭合开关,移动滑片,发现灯泡不亮,电流表无示数,电压表示数接近电源电压,则故障可能是 ____________________________________。
(3)排除故障后,当灯泡正常发光时,电流表的示数(如图乙)为 A,灯泡额定功率为 W。新|课 | 标|第 |一| 网
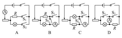
(4)(多选)如图所示电路中(R阻值已知),无电压表也能测出该灯泡额定功率的是 。


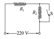
如表为一台电烤箱的铭牌,其内部简化电路如图所示,R1和R2均为电热丝。求:
| ××牌电烤箱 | ||
| 额定电压 | 220V | |
| 额定功率 | 高温挡 | 1100W |
| 低温挡 | 440W | |
| 电源频率 | 50Hz | |

(1)电烤箱在高温挡正常工作15min所消耗的电能。
(2)电烤箱在低温挡正常工作时,R2的阻值是多少。
(3)假设在用电高峰时,家庭电路实际电压为200V,电烤箱在高温挡的实际功率是多少?(实际功率计算结果保留到小数点后一位)
某同学为了探究节能问题,分别用电磁炉和煤气炉(使用煤气)给质量为2.5kg的水加热,实验数据如表所示。[煤气的热值是4.0×107J/m3,水的比热容是4.2×103J/(kg·℃)]
| 气、电能耗对比 | ||||
| 加热前 | 加热后 | |||
| 电磁炉 | 煤气炉 | 电磁炉 | 煤气炉 | |
| 水的温度 | 15℃ | 15℃ | 95℃ | 95℃ |
| 电或煤气 的用量 | 0.00J | 0.00m3 | 9.20×105J | 4.00×10-2m3 |
(1)水吸收的热量是多少?
(2)电磁炉和煤气炉的效率分别是多少?(效率是指有效利用的能量与炉具消耗的总能量的比值)
(3)本实验中,电磁炉与煤气炉相比,哪一个更节能?为什么?