爆米花是将玉米放入铁锅内,边加热边翻动一段时间后,“砰”的一声变成了玉米花。下列说法正确的是:
A.玉米粒主要通过翻动铁锅对其做功,使其内能增加
B.玉米粒主要通过与铁锅间的热传递,使其内能增加
C.玉米粒内水份受热膨胀对粒壳做功爆开,内能不变
D.玉米粒内水份受热膨胀对粒壳做功爆开,内能增加
有R1,R2和R3三只电阻,已知R1>R2>R3,连接成如图所示三个电路,电源电压相等。其中R1两端电压最大的是
A. 甲图 B. 乙图 C. 丙图 D. 无法确定

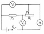
如图所示的电路中,电源两端的电压保持不变。闭合开关S,将滑动变阻器的滑片P向右移动,下列说法正确的是:
A.电压表V1与电压表V2的示数之和保持不变。
B.电压表V2与电流表A的示数之比保持不变。
C.电流表A的示数变小,电压表V1的示数变大。
D.电流表A的示数变小,电压表V2的示数变大。

教室里投影仪的光源是强光灯泡,发光时必须用风扇给予降温。为了保证灯泡不被烧坏,要求:带动风扇的电动机启动后,灯泡才能发光;风扇不转,灯泡不能发光。则在如图3所示的四个电路图中符合要求的是

如图7所示,R是一只光敏也阻,当光照射强度增大时,其电阻会减小,闭合行关S,减小对光敏电阻的照射强度,电压表和电流表示数的变化情况是
A.两表示数均减小 B.电流表示敏增大,电压表示数减小
C.两表示数均增大 D.电流表示数减小,电压表示数增大
