2014年6月8日海峡组合彭帅、谢淑薇在法网女双赛场上击败对手,再夺大满贯赛事冠军,如图所示是球拍与网球接触的瞬间,下面说法正确的是
A、球拍发生形变过程中弹性势能转化成动能
B、球拍将球击出说明
力可以改变物体的运动状态
C、球离开球拍能继续向前运动是因为受到惯性力
D、球对球拍的力与球拍对球的力是一对平衡力
下列简单机械属于省力杠杆的是

人们常把物质的一些属性作为选择材料的依据,下列应用与材料的属性对应正确的是
A、用银做电器开关的触点——良好的导电性
B、用胶木制作热水壶的手柄——良好的导热性
C、用复合材料制作撑杆跳高的撑杆——良好的塑性
D、用特殊合金制作飞机的机翼——较大的密度
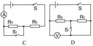
某同学在只有电流表或电压表的情况下想测量未知电阻Rx的阻值,其中电源电压未知, 定值电阻和滑动变阻器的最大阻值均已知,下列电路中,可以测出Rx阻值的是


某同学用如图所示器材探究“凸透镜成像规律”,此时光屏上成清晰的像,下列说法正确的是
A、光屏上成的是倒立、放大的实像
B、投影仪成像利用了这一规律
C、向右适当移动凸透镜,光屏上可以成倒立、缩小的实像
D、向右适当移动蜡烛,光屏上可以成正立、放大的虚像