在“怎样使两个灯泡都亮起来”的活动中,小明采用如图所示的方法连接,结果两个灯泡都亮了.这时,两灯的连接方式是 .若电源电压为3V,灯泡的规格均为“2.2V 0.22A”,则每个灯泡的电阻是 Ω,每个灯泡的实际功率是 W.

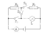
如图所示,电源电压不变,R1=6Ω,R2=4Ω.(1)当开关S1闭合,S2、S3断开时,电流表的示数为0.6A,电路总电阻是 Ω,电源电压为 V.(2)当开关全都闭合时,电流表示数为1.5A,则通过R1的电流是 A,10s内电流通过灯泡L做的功为 J.

作图题(4分)
(1)如图所示杠杆OBA处于平衡状态,请分别画出力F1的力臂l1和力F2的力臂l2.
(2)如图所示,用滑轮组提升重物用笔画线代替绳子在图中画出最省力的绳绕法.

如图所示为生活中常用的热水瓶,其外壁采用镀银的双层玻璃,并将中间抽成真空,这是为 .注入一定量的热水后,立即盖上软木塞,软木塞会跳起来.这一过程中瓶内气体的 能转化为软木塞的机械能.汽油机的 冲程也发生同样的能量转化.如果该汽油机飞轮转速是1800r/min,则该汽油机每秒钟内对外做功 次.

如图所示是小明在探究“杠杆的平衡条件”实验:
(1)实验前,将杠杆中点置于支架上,当杠杆静止时,发现杠杆右端下沉.此时,应把杠杆两端的平衡螺母向 (选填“左”或“右”)调节,使杠杆在不挂钩码时,保持水平并静止,达到平衡状态.这样做的好处 .
(2)杠杆调节平衡后,小明在杠杆上A点挂4个钩码,在B点处挂6个钩码杠杆恰好在原位置平衡.于是小明便得出了杠杆的平衡条件为: .
(3)他这样得出的结论 (是/否)合理?为什么? .
